Produkte
HOME > Produkte
Nullstromwandler LXK-120
  • Nullstromwandler LXK-120Nullstromwandler LXK-120
  • Nullstromwandler LXK-120Nullstromwandler LXK-120
  • Nullstromwandler LXK-120Nullstromwandler LXK-120

Nullstromwandler LXK-120

Der professionelle chinesische Hersteller Comewill bietet einen hochwertigen Nullstromtransformator LXK-120 an, der speziell für den Erdschlussschutz von Stromversorgungssystemen entwickelt wurde. Dieses Innengerät nutzt eine Harzgusstechnik und eine Split-Core-Struktur, sodass es zur Installation in zwei Hälften geteilt werden kann, ohne dass die Sammelschiene demontiert werden muss – was die Nachrüstungs- und Bauverfahren erheblich vereinfacht. Es ist für den Einsatz in 50-Hz- oder 60-Hz-Systemen geeignet und bietet einen Nullsystem-Relaisschutz für Leitungen mit geerdetem Sternpunkt.

Kaufen Sie den Nullstromwandler LXK-120 von Comewill, einem vertrauenswürdigen chinesischen Hersteller und Lieferanten von Schutzstromwandlern. Dieser Nullsystem-Stromwandler des offenen Typs wurde für Stromversorgungssysteme mit 10 kV und weniger entwickelt und verfügt über eine Kabel-durch-Kern-Primärstruktur, eine sekundäre Isolationsfestigkeit von 3 kV und einen Epoxidharzguss für zuverlässige Schutzleistung.

Das Besondere an diesem Produkt ist die Struktur des Primärkreises mit durchgehendem Kabel, was bedeutet, dass nur die Isolierung der Sekundärspule berücksichtigt werden muss. Die Sekundärspule verfügt über eine Spannungsfestigkeit von 3 kV und die Serie umfasst beliebte Modelle wie LXK-φ80, LXK-φ100, LXK-φ120, LXK-φ150 und LXK-φ180 – alle nach strengen Qualitätsstandards von Welcome (Wenzhou) Electric Co., Ltd. hergestellt.

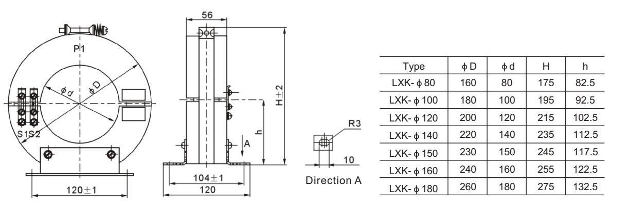
Der Nullstromtransformator LXK-120 von Welcome (Wenzhou) Electric Co., Ltd. wurde speziell für den Überstromschutz in 10 kV und darunter, 50 Hz-Stromnetzleitungen sowie für dreiphasige Hochspannungs-Wechselstromgeneratoren und -motoren entwickelt und ist nur für die Verwendung in Innenräumen vorgesehen. Es ist mit Übertragungskabeln kompatibel, deren Außendurchmesser 120 mm nicht überschreitet; Genaue Maßangaben zu den Modellen LXK-80 bis LXK-160 finden Sie in der Tabelle der technischen Parameter, die Ihnen unser technisches Team zur Verfügung stellt.

Typbeschreibung des Nullstromwandlers LXK-120

L: Stromwandler
X: Nullfolge
K: Auf-Zu-Typ
Φ120: Nenndurchmesser des Innenlochs

Technische Daten des offenen Nullstromtransformators LXK

Bei Welcome (Wenzhou) Electric Co., Ltd. erfüllen alle unsere Produkte die Anforderungen der nationalen Standards GB20840.1-2010 und GB20840.2-2014, und wir sind auch in der Lage, unsere Angebote an die individuellen Bedürfnisse einzelner Kunden anzupassen. Hier finden Sie eine Aufschlüsselung der wichtigsten technischen Daten unserer Produkte:

Nennisolierung: 0,72/3 kV
Nennfrequenz: 50 Hz/60 Hz
Bemessungssekundärstrom: 5A oder 1A
Betriebstemperaturbereich: -25 °C ~ +40 °C

Typ Klassen Nennstromverhältnis (A) Nennleistung (VA)
L XK-80 (80/165*57) 10P5 ~ 10P10 50/575/5100/5150/5200/5250/5300/5400/550/175/1100/1150/1200/1250/1 5 ~ 1
LXK-100 (100/180*55) 10P5 ~ 10P10 5 ~ 1
LXK-100 (100/180*57) 10P5 ~ 10P15 10 ~ 1
LXK-120 (120/204*57) 10P5 ~ 10P15 10 ~ 1
LXK-120 (120/210*65) 10P5 ~ 10P15 10 ~ 2,5
LXK-120 (120/210*100) 10P5 ~ 10P20 15 ~ 2,5
LXK-120 (120/250*80) 10P5 ~ 10P20 15 ~ 1
LXK-150 (150/235*57) 10P5 ~ 10P10 10 ~ 1
LXK-150 (150/280*80) 10P5 ~ 10P20 15 ~ 1
LXK-160 (160/250*80) 10P5 ~ 10P20 5 ~ 1
LXK-180 (180/265*57) 10P5 ~ 10P10 10 ~ 1
LXK-180 (180/310*80) 10P5 ~ 10P20 15 ~ 1
LXK-200 (200/330*80) 10P5 ~ 10P20 15 ~ 1
LXK-240 (240/350*80) 10P5 ~ 10P20 15 ~ 1
LXK-260 (260/370*80) 10P5 ~ 10P20 15 ~ 1,5

Hinweis: Sollten Sie Spezifikationen wie Stromverhältnis oder Installationsabmessungen benötigen, die über die oben genannten Bereiche hinausgehen, ist Welcome (Wenzhou) Electric Co., Ltd. offen für die Besprechung von Anpassungen und die Erzielung einer einvernehmlichen Vereinbarung mit dem Käufer.

Strukturmerkmal

Bei Welcome (Wenzhou) Electric Co., Ltd. verfügen unsere Transformatoren über ein Open-Close-Design und sind aus Epoxidharz gegossen. Beim Zusammenbau können Sie den Transformator zunächst in zwei Hälften teilen und die beiden Teile dann wieder zu einer Einheit zusammenschrauben – so wird der gesamte Installationsprozess zum Kinderspiel. Dieses Modell gibt es in unserem Hause in sieben verschiedenen Varianten, jede mit einem einzigartigen Innendurchmesser: 80 mm, 120 mm, 140 mm, 150 mm, 160 mm und 180 mm.

Umrissmaß

Hot-Tags: Nullstromwandler LXK-120, China, Hersteller, Lieferant, Fabrik, Großhandel, kundenspezifisch, auf Lager, hergestellt in China, niedriger Preis, Qualität
Anfrage absenden
Kontaktinformation
Senden Sie eine Anfrage an Comewill für Schaltanlagen, Vakuum-Leistungsschalter und Stromwandler. Erhalten Sie maßgeschneiderte Angebote, niedrige Preise oder kompetente Unterstützung von unserem China-Fabrikteam.
X
Wir verwenden Cookies, um Ihnen ein besseres Surferlebnis zu bieten, den Website-Verkehr zu analysieren und Inhalte zu personalisieren. Durch die Nutzung dieser Website stimmen Sie der Verwendung von Cookies zu. Datenschutzrichtlinie
Ablehnen Akzeptieren